Вернуться   Официальный Форум любителей LADA Kalina и новой Лада Калина 2 > Лада Калина. Технический раздел > Двигатель и его системы > Система зажигания и управления двигателем

Результаты опроса: заводские менять
да 130 38.69%
нет 206 61.31%
Голосовавшие: 336. Вы ещё не голосовали в этом опросе

Ответ
 
Опции темы Опции просмотра
Старый 12.11.2016, 12:30   #311
Оратор
 
Аватар для Andrej1984
 
Регистрация: 15.08.2013
Адрес: Ноябрьск
Возраст: 41
Пол: Мужской
Автомобиль: Ваз21906
Сообщений: 3,782
Вес репутации: 34617 Andrej1984 имеет репутацию за пределами доброй репутацииAndrej1984 имеет репутацию за пределами доброй репутацииAndrej1984 имеет репутацию за пределами доброй репутацииAndrej1984 имеет репутацию за пределами доброй репутацииAndrej1984 имеет репутацию за пределами доброй репутацииAndrej1984 имеет репутацию за пределами доброй репутацииAndrej1984 имеет репутацию за пределами доброй репутацииAndrej1984 имеет репутацию за пределами доброй репутацииAndrej1984 имеет репутацию за пределами доброй репутацииAndrej1984 имеет репутацию за пределами доброй репутацииAndrej1984 имеет репутацию за пределами доброй репутации
Re: Высоковольтные провода, правильный выбор

Андрей710, понятно. У меня модуль обычный 4хвыводной )))) я его менял 80тык назад вместе с проводами. Маркировка была на нем 2111-....

Добавлено через 1 минуту
Вобщем отличие в посадочных местах получается

Добавлено через 21 минуту
www.magistral-nn.ru/catalog/24515/149796/
Вот такой сейчас у меня стоит. Заводской (видимо Уфимский) помер на пробеге 45тык и был заменён вместе с проводамт

Добавлено через 7 минут
www.magistral-nn.ru/catalog/24515/168234/
А вот это видимо оригинальный
Andrej1984 вне форума   Ответить с цитированием Вверх
Старый 12.11.2016, 12:35   #312
Постоялец
 
Регистрация: 06.10.2016
Адрес: Новокузнецк
Возраст: 73
Пол: Мужской
Автомобиль: LADA Kalina
Сообщений: 305
Вес репутации: 390 Сергей-сибиряк имеет репутацию за пределами доброй репутацииСергей-сибиряк имеет репутацию за пределами доброй репутацииСергей-сибиряк имеет репутацию за пределами доброй репутацииСергей-сибиряк имеет репутацию за пределами доброй репутацииСергей-сибиряк имеет репутацию за пределами доброй репутацииСергей-сибиряк имеет репутацию за пределами доброй репутацииСергей-сибиряк имеет репутацию за пределами доброй репутацииСергей-сибиряк имеет репутацию за пределами доброй репутацииСергей-сибиряк имеет репутацию за пределами доброй репутацииСергей-сибиряк имеет репутацию за пределами доброй репутацииСергей-сибиряк имеет репутацию за пределами доброй репутации
Re: Высоковольтные провода, правильный выбор

Цитата:
Сообщение от Andrej1984 Посмотреть сообщение
А вот это видимо оригинальный
В подобных корпусах может быть и модуль и катушка(в которой 2 катушки).
У катушки три контакта-у модуля четыре.
Т.е-в модуле помимо 2х катушек стоит и два ключа.
В катушке-две катушки без ключей.
Сергей-сибиряк вне форума   Ответить с цитированием Вверх
Старый 12.11.2016, 12:37   #313
Оратор
 
Аватар для Andrej1984
 
Регистрация: 15.08.2013
Адрес: Ноябрьск
Возраст: 41
Пол: Мужской
Автомобиль: Ваз21906
Сообщений: 3,782
Вес репутации: 34617 Andrej1984 имеет репутацию за пределами доброй репутацииAndrej1984 имеет репутацию за пределами доброй репутацииAndrej1984 имеет репутацию за пределами доброй репутацииAndrej1984 имеет репутацию за пределами доброй репутацииAndrej1984 имеет репутацию за пределами доброй репутацииAndrej1984 имеет репутацию за пределами доброй репутацииAndrej1984 имеет репутацию за пределами доброй репутацииAndrej1984 имеет репутацию за пределами доброй репутацииAndrej1984 имеет репутацию за пределами доброй репутацииAndrej1984 имеет репутацию за пределами доброй репутацииAndrej1984 имеет репутацию за пределами доброй репутации
Re: Высоковольтные провода, правильный выбор

По проводам которые и для 1,5 и для 1,6 маркировка 2111-....
Каталожный номер последними цифрами отличается. Короче хрен его знает. Через Автодок хотел заказать сейчас чешу репу а что именно заказывать

Добавлено через 1 минуту
Цитата:
Сообщение от Сергей-сибиряк Посмотреть сообщение
В подобных корпусах может быть и модуль и катушка(в которой 2 катушки).
У катушки три контакта-у модуля четыре.
Т.е-в модуле помимо 2х катушек стоит и два ключа.
В катушке-две катушки без ключей.
Запутался совсем я что то )))
Andrej1984 вне форума   Ответить с цитированием Вверх
Старый 12.11.2016, 13:14   #314
Постоялец
 
Регистрация: 06.10.2016
Адрес: Новокузнецк
Возраст: 73
Пол: Мужской
Автомобиль: LADA Kalina
Сообщений: 305
Вес репутации: 390 Сергей-сибиряк имеет репутацию за пределами доброй репутацииСергей-сибиряк имеет репутацию за пределами доброй репутацииСергей-сибиряк имеет репутацию за пределами доброй репутацииСергей-сибиряк имеет репутацию за пределами доброй репутацииСергей-сибиряк имеет репутацию за пределами доброй репутацииСергей-сибиряк имеет репутацию за пределами доброй репутацииСергей-сибиряк имеет репутацию за пределами доброй репутацииСергей-сибиряк имеет репутацию за пределами доброй репутацииСергей-сибиряк имеет репутацию за пределами доброй репутацииСергей-сибиряк имеет репутацию за пределами доброй репутацииСергей-сибиряк имеет репутацию за пределами доброй репутации
Re: Высоковольтные провода, правильный выбор

Цитата:
Сообщение от Andrej1984 Посмотреть сообщение
Запутался совсем я что то )
Наверное я объясняю плохо.

Модуль и катушку можно распознать по разъему,который идет от ЭБУ.
У модуля 4 контакта,у катушки 3.
Вот на фото стрелочкой показан этот разъем.
Миниатюры
разъем.JPG  
Сергей-сибиряк вне форума   Ответить с цитированием Вверх
Старый 12.11.2016, 13:19   #315
Постоялец
 
Регистрация: 06.10.2016
Адрес: Новокузнецк
Возраст: 73
Пол: Мужской
Автомобиль: LADA Kalina
Сообщений: 305
Вес репутации: 390 Сергей-сибиряк имеет репутацию за пределами доброй репутацииСергей-сибиряк имеет репутацию за пределами доброй репутацииСергей-сибиряк имеет репутацию за пределами доброй репутацииСергей-сибиряк имеет репутацию за пределами доброй репутацииСергей-сибиряк имеет репутацию за пределами доброй репутацииСергей-сибиряк имеет репутацию за пределами доброй репутацииСергей-сибиряк имеет репутацию за пределами доброй репутацииСергей-сибиряк имеет репутацию за пределами доброй репутацииСергей-сибиряк имеет репутацию за пределами доброй репутацииСергей-сибиряк имеет репутацию за пределами доброй репутацииСергей-сибиряк имеет репутацию за пределами доброй репутации
Re: Высоковольтные провода, правильный выбор

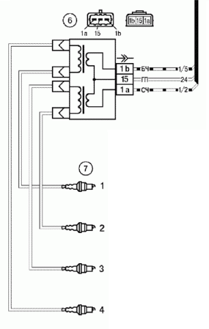
Вот схема модуля



вот катушка

Сергей-сибиряк вне форума   Ответить с цитированием Вверх
Старый 12.11.2016, 14:51   #316
Оратор
 
Аватар для Andrej1984
 
Регистрация: 15.08.2013
Адрес: Ноябрьск
Возраст: 41
Пол: Мужской
Автомобиль: Ваз21906
Сообщений: 3,782
Вес репутации: 34617 Andrej1984 имеет репутацию за пределами доброй репутацииAndrej1984 имеет репутацию за пределами доброй репутацииAndrej1984 имеет репутацию за пределами доброй репутацииAndrej1984 имеет репутацию за пределами доброй репутацииAndrej1984 имеет репутацию за пределами доброй репутацииAndrej1984 имеет репутацию за пределами доброй репутацииAndrej1984 имеет репутацию за пределами доброй репутацииAndrej1984 имеет репутацию за пределами доброй репутацииAndrej1984 имеет репутацию за пределами доброй репутацииAndrej1984 имеет репутацию за пределами доброй репутацииAndrej1984 имеет репутацию за пределами доброй репутации
Re: Высоковольтные провода, правильный выбор

Сергей-сибиряк, всё понял.

Добавлено через 4 минуты
Я когда менял - тупо пришёл в магазин и сказал дайте мне модуль и провода на Калину на 8кл мотор ))) дали провода какие то и модуль (или катушка? Для меня он модуль) СОАТЭ. Всё это проехало уже 80тык и видимо просит замены, так как имеют место быть рывки при равномерном движении НА ГАЗУ (на бензине всё хорошо) и провалы при трогании (типо подтраивания).

Я потому и спрашиваю. Хотел заказать через Автодок так как там эта вся тряхомудия дешевле рублей на 800. Есть провода на 1,5 есть на 1,6. Модули два которые привёл указаны СОАТЭ 2111, Лада-Имидж (почему написано нового обр если он с 2004г ставится?) вся линейка автомобилей Лада, плюс Нивы, плюс Газель там какая то.

Добавлено через 12 минут
Вообще модули (катушки) на каких пробегах обычно умирают? Есть смысл их вместе с проводами менять?
Andrej1984 вне форума   Ответить с цитированием Вверх
Старый 12.11.2016, 14:54   #317
Постоялец
 
Регистрация: 06.10.2016
Адрес: Новокузнецк
Возраст: 73
Пол: Мужской
Автомобиль: LADA Kalina
Сообщений: 305
Вес репутации: 390 Сергей-сибиряк имеет репутацию за пределами доброй репутацииСергей-сибиряк имеет репутацию за пределами доброй репутацииСергей-сибиряк имеет репутацию за пределами доброй репутацииСергей-сибиряк имеет репутацию за пределами доброй репутацииСергей-сибиряк имеет репутацию за пределами доброй репутацииСергей-сибиряк имеет репутацию за пределами доброй репутацииСергей-сибиряк имеет репутацию за пределами доброй репутацииСергей-сибиряк имеет репутацию за пределами доброй репутацииСергей-сибиряк имеет репутацию за пределами доброй репутацииСергей-сибиряк имеет репутацию за пределами доброй репутацииСергей-сибиряк имеет репутацию за пределами доброй репутации
Re: Высоковольтные провода, правильный выбор

Цитата:
Сообщение от Andrej1984 Посмотреть сообщение
всё понял.
Ну и хорошо!

Добавлено через 1 минуту
Цитата:
Сообщение от Andrej1984 Посмотреть сообщение
Вообще модули (катушки) на каких пробегах обычно умирают? Есть смысл их вместе с проводами менять?
У всех по разному.
У меня -пока не сдохнет-не меняю.На пенсию сильно не пожируешь!Гы,гы..
Сергей-сибиряк вне форума   Ответить с цитированием Вверх
Старый 14.11.2016, 09:50   #318
Ярославская ячейка
 
Аватар для ALK1980
 
Регистрация: 01.09.2010
Адрес: Ярославль
Возраст: 45
Пол: Мужской
Сообщений: 2,764
Записей в дневнике: 19
Вес репутации: 6594 ALK1980 имеет репутацию за пределами доброй репутацииALK1980 имеет репутацию за пределами доброй репутацииALK1980 имеет репутацию за пределами доброй репутацииALK1980 имеет репутацию за пределами доброй репутацииALK1980 имеет репутацию за пределами доброй репутацииALK1980 имеет репутацию за пределами доброй репутацииALK1980 имеет репутацию за пределами доброй репутацииALK1980 имеет репутацию за пределами доброй репутацииALK1980 имеет репутацию за пределами доброй репутацииALK1980 имеет репутацию за пределами доброй репутацииALK1980 имеет репутацию за пределами доброй репутации
Отправить сообщение для ALK1980 с помощью ICQ
Re: Высоковольтные провода, правильный выбор

Andrej1984,Вообще не вижу смысла их менять, если мозг не имеют(как то пропуски и т.д.). На прошлой машине при продаже было 120000 пробега, модуль и провода заводские. На калине сейчас 77000 - тоже все родное.
__________________
http://alkuz.livejournal.com/
ALK1980 вне форума   Ответить с цитированием Вверх
Старый 22.11.2016, 06:43   #319
Оратор
 
Аватар для Andrej1984
 
Регистрация: 15.08.2013
Адрес: Ноябрьск
Возраст: 41
Пол: Мужской
Автомобиль: Ваз21906
Сообщений: 3,782
Вес репутации: 34617 Andrej1984 имеет репутацию за пределами доброй репутацииAndrej1984 имеет репутацию за пределами доброй репутацииAndrej1984 имеет репутацию за пределами доброй репутацииAndrej1984 имеет репутацию за пределами доброй репутацииAndrej1984 имеет репутацию за пределами доброй репутацииAndrej1984 имеет репутацию за пределами доброй репутацииAndrej1984 имеет репутацию за пределами доброй репутацииAndrej1984 имеет репутацию за пределами доброй репутацииAndrej1984 имеет репутацию за пределами доброй репутацииAndrej1984 имеет репутацию за пределами доброй репутацииAndrej1984 имеет репутацию за пределами доброй репутации
Re: Высоковольтные провода, правильный выбор

Цитата:
Сообщение от ALK1980 Посмотреть сообщение
Andrej1984,Вообще не вижу смысла их менять, если мозг не имеют(как то пропуски и т.д.). На прошлой машине при продаже было 120000 пробега, модуль и провода заводские. На калине сейчас 77000 - тоже все родное.
У меня на газу рывки при установившейся скорости движения. Газовщики говорят по нашей линии все хорошо, смотри зажигание
П.С. заводской модуль сдох на пробеге 45тык)))
П.П.С заказал провода Лада Имидж за 700 рублей на Автодоке. Но грешу почему то на модуль. Ладно, и его поменяю если что. Прямо уж не велики деньги
Andrej1984 вне форума   Ответить с цитированием Вверх
Старый 23.11.2016, 11:04   #320
Освоившийся
 
Регистрация: 29.09.2013
Адрес: Украина, Одесса
Возраст: 39
Пол: Мужской
Автомобиль: 11173
Сообщений: 174
Вес репутации: 36 horek2503 имеет репутацию за пределами доброй репутацииhorek2503 имеет репутацию за пределами доброй репутацииhorek2503 имеет репутацию за пределами доброй репутацииhorek2503 имеет репутацию за пределами доброй репутацииhorek2503 имеет репутацию за пределами доброй репутацииhorek2503 имеет репутацию за пределами доброй репутацииhorek2503 имеет репутацию за пределами доброй репутацииhorek2503 имеет репутацию за пределами доброй репутацииhorek2503 имеет репутацию за пределами доброй репутацииhorek2503 имеет репутацию за пределами доброй репутацииhorek2503 имеет репутацию за пределами доброй репутации
Re: Высоковольтные провода, правильный выбор

Andrej1984, А может еще и свечи дают эффект? Я вот тоже свои подергивания с газом связываю. Пока попробую вариатор УОЗ отключить, модуль менял на бошевский тыс 15 назад, вроде ничего не поменялось.
horek2503 вне форума   Ответить с цитированием Вверх
Ответ


Ваши права в разделе
Вы не можете создавать новые темы
Вы не можете отвечать в темах
Вы не можете прикреплять вложения
Вы не можете редактировать свои сообщения

BB коды Вкл.
Смайлы Вкл.
[IMG] код Вкл.
HTML код Выкл.

Сервис метрических линеек для форумов и блогов


Быстрый переход









Часовой пояс GMT +3, время: 08:21.