Реле плавного включения ламп БС для Калина-2
Реле плавного включения ламп БС для Калина -2(Гранта_люкс) .
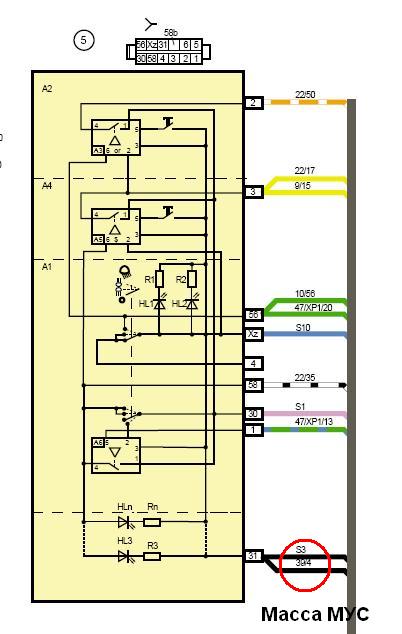
Реле внешне от штатного не отличается, и устанавливается в МБ вместо штатного К9.
Но небольшое вмешательство в штатную проводку придется произвести .Заключается она в том ,что у модернизированного моего реле ,будет выведен дополнительный проводок из корпуса реле ,его нужно подключить на массу !Ближайшая такая точка находится рядом с МБ ,это черные два провода в разъёме модуля света !
(на фото :То что внутри данного реле ,и новая модификация печатной платы с двухсторонним монтажем элементов )
Реле внешне от штатного не отличается, и устанавливается в МБ вместо штатного К9.
Но небольшое вмешательство в штатную проводку придется произвести .Заключается она в том ,что у модернизированного моего реле ,будет выведен дополнительный проводок из корпуса реле ,его нужно подключить на массу !Ближайшая такая точка находится рядом с МБ ,это черные два провода в разъёме модуля света !
(на фото :То что внутри данного реле ,и новая модификация печатной платы с двухсторонним монтажем элементов )
Всего комментариев 3
Комментарии
-
Просьба ,при заказе данного реле указывать цвет монтажного блока !!!
Также ,не так давно выяснилось ,что на К2 изменили распиновку контактов у реле К9,реле БС .Связано это с установкой нового МБ ,которые стали ставить на машинах выпуска 2016года.
Прежде чем заказывать ,и ставить моё реле ,придется вызванивать распиновку в конкретном МБ
А там у же по конкретной ситуации ,будем принимать решение ,как делать данное реле (для обычного электромеханического реле не так важна распиновка контактов ,а вот для напичканного электроникой это уже важно !!!)Запись от Андрей710 размещена 15.02.2018 в 11:37
Обновил(-а) Андрей710 21.03.2018 в 11:39 -
Сколько стоит и как заказать?Запись от dr.KaRaT размещена 05.02.2020 в 21:36
-
Какова цена вопроса? К2 2014 г.в.Запись от Muctep размещена 25.11.2020 в 23:00





